Обзор компактных редукторов для современной робототехники
Производительность роботизированных устройств по-прежнему сильно зависит от их редукторов. В большинстве промышленных роботов обычно используются две относительно нетрадиционные технологии трансмиссии — гармонические приводы (волновые редукторы) и циклоидальные приводы (циклоидальные или планетарно-цевочные редукторы), которые не так широко применяются в других отраслях промышленности.

Обзор редукторов, применяемых в настоящее время в промышленных роботах
Связка электродвигатель + механический редуктор — чаще всего используется в качестве приводов в робототехнике, а также в промышленных роботах.
Благодаря их большей способности снижать общий вес, а также потому, что электродвигатели, как правило, имеют более высокую эффективность при высоких рабочих скоростях, еще одной характеристикой промышленных роботизированных трансмиссий является использование относительно больших коэффициентов усиления (передаточных чисел), обычно превышающих 1:40.
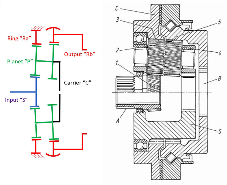
Планетарные редукторы: чрезвычайно универсальная платформа
Планетарные редукторы — это компактные и универсальные устройства, широко используемые в силовых агрегатах. Благодаря своей характерной коаксиальной конфигурации и хорошей удельной мощности они особенно подходят для вращающихся первичных двигателей, таких как электродвигатели.

Для достижения высокой производительности в планетарных редукторах применяются две основные стратегии:
1) Добавление дополнительных ступеней передач.
2) Использование особо компактных конфигураций планетарных редукторов, позволяющих получать высокие передаточные числа.
Хотя использование нескольких ступеней зубчатых колес позволяет наилучшим образом использовать высокую эффективность зацепления зубчатых колес и приводит к созданию высокоэффективных трансмиссий, это, как правило, имеет и оборотную сторону — приводит к тяжелым и громоздким решениям.
С другой стороны, компактные конфигурации позволяют достигать высоких передаточных чисел при очень компактных формах, но они страдают высокими потерями, обусловленными их высокой мощностью.

Планетарные редукторы демонстрируют самые высокие входные частоты вращения (до 8500 об/мин), но потери хода у них также самые большие (4-6 угловых минут) по сравнению с обычными трансмиссиями.
В робототехнике планетарные редукторы широко использовались в первых промышленных роботах, в то время как в последние десятилетия их применение сильно сократилось, главным образом из-за их ограничений по уменьшению люфта.
Волновые редукторы: легкий редуктор с нулевым люфтом
Волновой редуктор был изобретен Мюссером в 1955 году. В 1970-х годах они получили широкое распространение, первоначально в аэрокосмической промышленности. Так волновой редуктор использовался в качестве элемента механической трансмиссии в луноходе «Аполлон-15» в 1971 году. Такие редукторы тикже называют редукторами с гармонической передачей.

Как правило, диаметр волнового редуктора существенно больше его длины, в то время как вес значительно ниже, чем у других технологий, что обеспечивает наилучшее соотношение крутящего момента к весу среди других редукторов.
Действительно, характерное многозубчатое зацепление обеспечивает большее сопротивление крутящему моменту, чем в планетарных редукторах, что делает эту технологию очень подходящей для соединений, расположенных ближе к конечному исполнительному механизму, которые часто используются в современных промышленных роботах.
Вместе с тем, максимальная эффективность волновых редукторов несколько уступает редукторам на других технологиях передачи; они также очень чувствительны к условиям эксплуатации. Привогды с волновой передачей также чувствительны к обратному движению, которые становятся особенно критичными при высоких скоростях и/или низких крутящих моментах.
Для роботизированных устройств, подверженных частым изменениям скорости и полезной нагрузки в сочетании с энергообменом между роботизированным устройством и пользователем, это означает, что средний КПД быстро падает ниже 40-50%. Стоит также отметить их высокий коэффициент скрытой мощности, указывающий на одновременное наличие высоких крутящих моментов и скоростей в зацеплении зубьев, что также помогает объяснить относительно низкий КПД.
Из их положительных качеств стоит отметить, что благодаря многозубому зацеплению можно добиться снижения скорости вращения менее чем на 1 угловую минуту, что дает этому редуктору большое преимущество, помогающее гармоническим приводам находить широкое применение в промышленных роботах.
Волновые редукторы смогли вытеснить планетарные из многих областей применения, особенно после значительного улучшения эксплуатационных характеристик благодаря новой геометрии зубьев, внедренной в 90—х годах, что также улучшило линейность жесткости. В прошлом максимальная частота вращения на входе была серьезным ограничением для использования волновых редукторов, но новые достижения и усовершенствования конструкции позволяют им развивать скорость до 7500 оборотов в минуту.
Циклоидальные редукторы: обеспечивают высокую надежность и жесткость при кручении
Циклоидальные редукторы с момента своего изобретения Лоренцем Брареном в 1927 году нашли основное применение в привода лодок, кранов и в некотором крупногабаритном оборудовании, таком как конвейеры для прокатки стальной полосы или станки с ЧПУ. В циклоидальных приводах эксцентриковое входное движение создает колебательное циклоидальное движение единственного большого планетарного колеса, которое затем преобразуется обратно во вращение выходного вала и приводит к высокой мощности редуктора.

По своей форме циклоидальные редукторы близки к волновым редукторам, а повесу больше и ближе к планетарным редукторам. Отношение крутящего момента к весу больше, чем у планетарных редукторов, но немного ниже, чем у трансмиссий с волновой передачей. Основное преимущество циклоидальных приводов заключается именно в их способности выдерживать большие нагрузки, особенно ударные, а также в незначительных затратах на техническое обслуживание.
Пиковая эффективность у циклоидальных редукторов выше, чем у волновых, и ближе к показателям планетраных редукторов, но эффективность сильно зависит от условий эксплуатации, а пусковой момент холостого хода и передаточное отношение скрытой мощности высоки, как и у волновых редукторов.
Несмотря на то, что циклоидальные редукторы, как правило, имеют некоторый люфт, он часто компенсируется в их конструкции для достижения уровней, сравнимых с уровнями в волновых трансмиссиях, вероятно, за счет несколько более высокого трения. Их жесткость на кручение является самой высокой из рассмотренных технологий редукторов.
Циклоидальные приводы плохо справляются с высокими входными скоростями из-за наличия большого и относительно тяжелого планетарного (кулачкового) колеса, что приводит к большой инерции и дисбалансу. Это мотивирует использование, как правило, двух планетарных колес, расположенных последовательно и сдвинутых на 180 градусов друг к другу, для устранения дисбаланса, уменьшения вибраций и увеличения скорости подачи.
В 90-х годах на рынке роботизированных трансмиссий доминировали гармонические редукторы, но усовершенствования в циклоидной технологии позволили циклоидным приводам начать завоевывать популярность сначала в Японии, а затем и в других странах. В настоящее время циклоидальные гибридные редукторы (с предварительной планетарной передачей) занимают более 60% рынка роблототехники. Особенно востребованы они в механизмах сочленений промышленных роботов, подверженных более высоким нагрузкам и меньшим весовым ограничениям.
Посмотреть редукторы RV серий CORT-C и CORT-E
